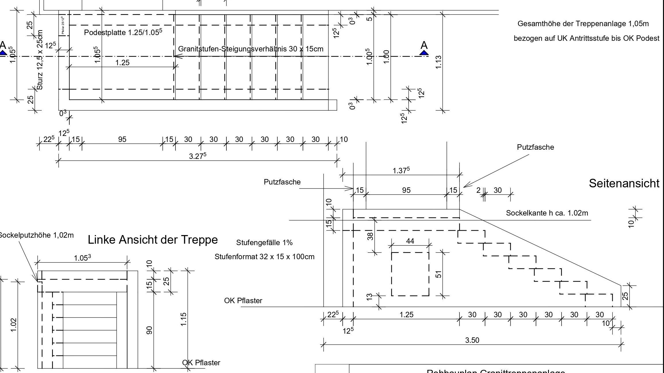
BV 2025: Sellostraße, Eingangstreppe Hinterhaus, DICAD Strakon Zeichnung
BV 2025: Sellostraße, Einschalung mit Stahlbewährung und anschließender Betonierung
BV 2025: Sellostraße, Einbau der Granitstufen
BV 2025: Sellostraße, Einbau der Podestplatte
BV 2025: Sellostraße , Abschluss der fertigen Eingangstreppe
Abdichtungsarbeiten
BV 2023: Marburgerstraße, Abriss der Trennwände bei Erhalt der Stuckleisten
BV 2023: Marburgerstraße, Unterkonstruktion zur Haltung der Stuckleiste
BV 2023: Marburgerstraße, Verspachtelung der Gipskartonplatten
Herzlich Willkommen auf unserer Webseite!
Das Dipl. Ing. F.-W. David Bauausführungen Unternehmen wurde 1970 von Frank-Werner David gegründet. Es hat sich im Bereich des Umbaus und der Restaurierung im Hochbau spezialisiert.
Wir führen alle Arbeiten von der Abdichtung eines Gebäudes sowie Maurer-,Putz-,Beton-,Fugensanierungs- und Estricharbeiten aus. Dazu Gipskartonplattenarbeiten und Ausbau von Dachgeschossen.
Außenarbeiten, wie die Herstellung von Gehwegen, Terrassen, Mauerwerkseinfassungen des Grundstücks werden ebenfalls ausgeführt.
Wir arbeiten im öffentlichem und privaten Bereich.
Mit über 50 Jahren Bauerfahrung zeichnet uns fachliche Kompetenz und Zuverlässigkeit aus.
Aktuelle Bauvorhaben